Whirlpool Dryer Wed4815ew1 Wiring Diagram

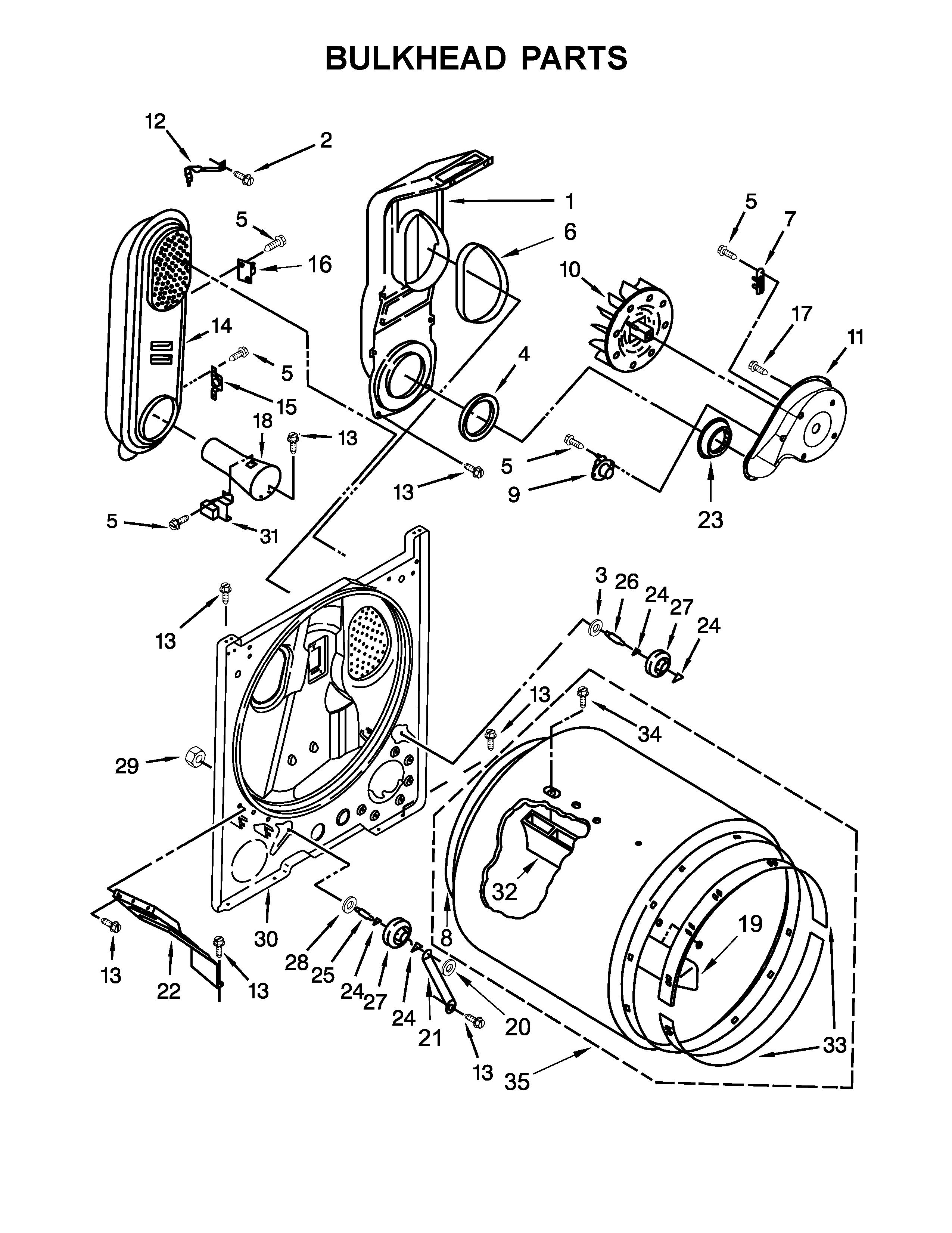
Wed4815ew1 Parts Diagram. Whirlpool WED4815EW1 Parts List Reliable Parts Whirlpool WED4815EW1 dryer parts - manufacturer-approved parts for a proper fit every time! We also have installation guides, diagrams and manuals to help you along the way! Trust us to help you find the part you need and get your WED4815EW1 Whirlpool Dryer running again.

Whirlpool WED4815EW1 Parts List Reliable Parts
Whirlpool WED4815EW1 Parts List Reliable Parts from www.reliableparts.com

Use our WED4815EW1 Parts, diagrams, manuals, and videos to make your repair easy View a selection of popular parts, or review parts lists for each of the WED4815EW1 model diagrams below

Whirlpool WED4815EW1 Parts List Reliable Parts

Replaced by #WPW10717210? Manufacturer substitution Login; Order History; My Model Numbers; Cart 0 item(s) GO Find Whirlpool WED4815EW1 Dryer parts using our appliance model lookup system with diagrams

Whirlpool WED4815EW1 Parts List Trible's. Not sure what part you need? Narrow your search down by symptom and read the amazing step by step instructions and troubleshooting tips for Whirlpool model. Trust us to help you find the part you need and get your WED4815EW1 Whirlpool Dryer running again.

Whirlpool Dryer Wed4815ew1 Manual. Find Whirlpool WED4815EW1 Dryer parts using our appliance model lookup system with diagrams Our free dryer DIY manuals and videos make repairs fast and easy.